Пластиковая заклепка для платы
Арт. Пластиковая заклепка для платы
Рассчитать доставку
Гарантия 5 лет
Характеристики
Производитель
:
ООО Международная Компания РОНАИ
Цена действительна только для интернет-магазина и может отличаться от цен в розничных магазинах
Пластиковые заклёпки необходимы для быстрой, удобной и надёжной фиксации светодиодных модулей Brillare к радиатору.
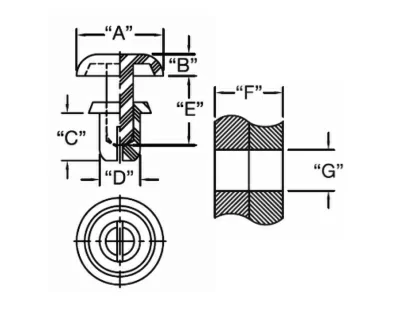
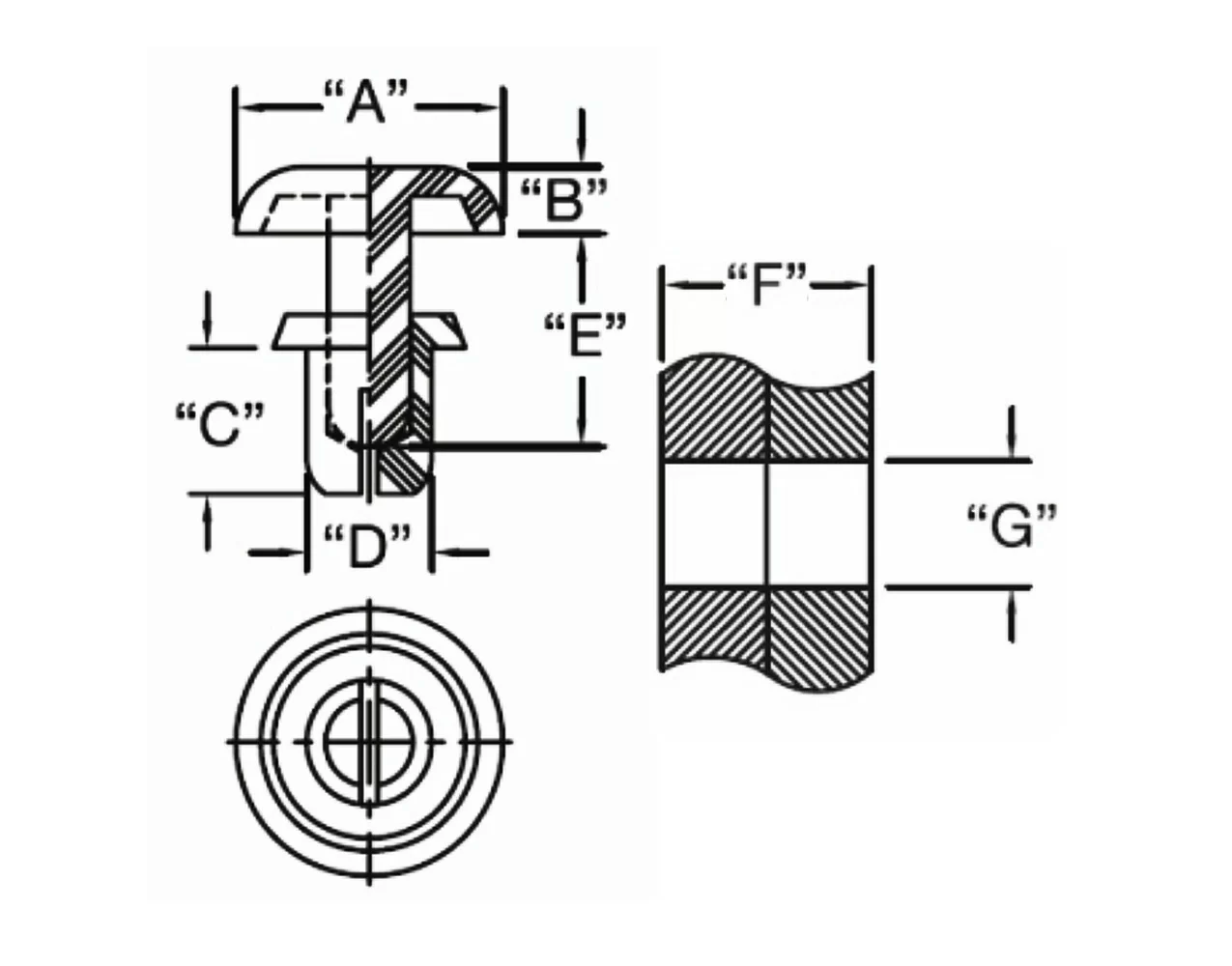
Размеры основной модели заклёпок (R3545), мм (см. чертёж):
Диаметр отверстия ("G") – 3,6
"A" – 6,4
"B" – 1,6
"C" – 4,5
"D" – 3,5
"E" – 6,1
"F" – 2,2–3,1
Исполнение – рис. 2 (вариант на втором чертеже)
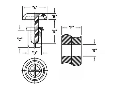
Диаметр отверстия ("G") – 3,6
"A" – 6,4
"B" – 1,6
"C" – 4,5
"D" – 3,5
"E" – 6,1
"F" – 2,2–3,1
Исполнение – рис. 2 (вариант на втором чертеже)
Ассортимент заклёпок с таблицей размеров в прикрепленном файле.
Загрузка отзывов...
Производитель
ООО Международная Компания РОНАИ
Оплачивайте покупки удобным способом. В интернет-магазине доступно 3 варианта оплаты:
- Наличные при самовывозе или доставке курьером. Специалист свяжется с вами в день доставки, чтобы уточнить время и заранее подготовить сдачу с любой купюры. Вы подписываете товаросопроводительные документы, вносите денежные средства, получаете товар и чек.
- Безналичный расчет при самовывозе или оформлении в интернет-магазине: карты МИР, Visa и MasterCard. Чтобы оплатить покупку, система перенаправит вас на сервер системы ASSIST. Здесь нужно ввести номер карты, срок действия и имя держателя.
- ЮMoney при онлайн-заказе. Для совершения покупки система перенаправит вас на страницу платежного сервиса. Здесь необходимо заполнить форму по инструкции.
Экономьте время на получении заказа. В интернет-магазине доступно 4 варианта доставки:
- Курьерская доставка работает с 9.00 до 19.00. Когда товар поступит на склад, курьерская служба свяжется для уточнения деталей. Специалист предложит выбрать удобное время доставки и уточнит адрес. Осмотрите упаковку на целостность и соответствие указанной комплектации.
- Самовывоз из магазина. Список торговых точек для выбора появится в корзине. Когда заказ поступит на склад, вам придет уведомление. Для получения заказа обратитесь к сотруднику в кассовой зоне и назовите номер.
- Постамат. Когда заказ поступит на точку, на ваш телефон или e-mail придет уникальный код. Заказ нужно оплатить в терминале постамата. Срок хранения — 3 дня.
- Почтовая доставка через почту России. Когда заказ придет в отделение, на ваш адрес придет извещение о посылке. Перед оплатой вы можете оценить состояние коробки: вес, целостность. Вскрывать коробку самостоятельно вы можете только после оплаты заказа. Один заказ может содержать не больше 10 позиций и его стоимость не должна превышать 100 000 р.
